Exercice
Exercice

A quelles catégories appartiennent ces deux ULM ?
Votre choixChoix attenduRéponse
Exercice
Lors d’une conduite en vol de nuit vous apercevez des feux avec le vert à gauche et le rouge à droite. L’avion que je rencontre :
Votre choixChoix attenduRéponse
Exercice
La formation FOX ALPHATANGO proposée par la DGAC est une formation à distance à effectuer pour le télépilotage de drones à partir de :
Votre choixChoix attenduRéponse
Exercice
Pour voler en France, les avions certifiés doivent obligatoirement posséder :
Votre choixChoix attenduRéponse
Exercice
Deux aéronefs dont les routes convergent doivent :
Votre choixChoix attenduRéponse
Exercice
Des nuages vous obligent à descendre à 3000 ft QNH, le relief sur votre route est de 2700 ft :
Votre choixChoix attenduRéponse
Exercice

Compte tenu des règles de priorité, quelle manœuvre doivent réaliser chaque pilote pour éviter un accident ?
Votre choixChoix attenduRéponse
Exercice
La hauteur minimale de survol d’une ville dont la largeur est comprise entre 1 200 m et 3 600 m est :
Votre choixChoix attenduRéponse
Exercice
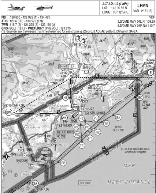
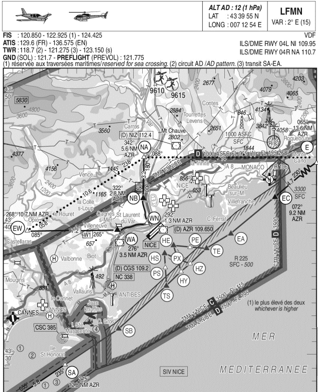
Pour conforter votre formation au BIA suivie dans votre structure, votre professeur d’aéronautique a décidé de vous emmener en voyage. Au programme de la matinée, la visite de l’aéroport de NICE-Côte d’Azur puis un vol à destination de Lyon Bron.
Le code OACI de l’aéroport de Nice-Côte d’Azur est indiqué sur la carte VAC (doc. N°1), il s’agit de LFMN. L’OACI est un organisme chargé d’établir le cadre réglementaire de la sécurité de l’aviation civile :
Votre choixChoix attenduRéponse
Exercice
Après la visite de la tour de contrôle, on vous équipe d’un gilet jaune pour vous permettre de vous rendre sur les parkings, vous assistez au chargement des bagages dans un A319, le pilote vient à votre rencontre, il vient de terminer sa visite pré-vol :
Votre choixChoix attenduRéponse
Exercice
Le pilote d'un aéronef immatriculé F-HBNU devra s'identifier à la radio par :